Blinds Parts Direct
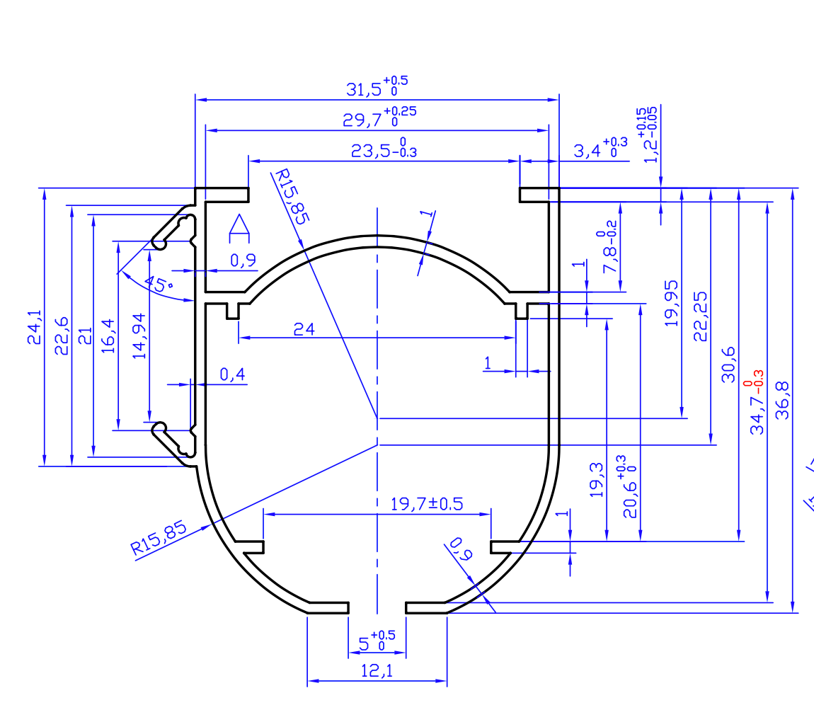
Roman Headrail Cassette Velcro With Tilting Rod - With Tilting Rod
Roman Headrail Cassette Velcro With Tilting Rod - With Tilting Rod
Regular price
£14.00 GBP
Regular price
£6.00 GBP
Sale price
£14.00 GBP
Unit price
per
Tax included.
Shipping calculated at checkout.
Couldn't load pickup availability
- Roman Headrail Cassette W/ Velcro - With Tilting Rod
- With 5mm Squared Tilting Rod
Materials
Materials
Shipping & Returns
Shipping & Returns
Dimensions
Dimensions
Care Instructions
Care Instructions
